Skip to main content
Robótica y Sistemas
View All
Search
Shelves
Books
Log in
Info
Content
Books
Coche RBCar Caddy AI2
Sistema de tracción
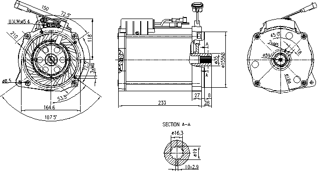
Información del motor
Información del motor
https://www.letrika.mahle.com/katalog/letrikaletrika.html?lang=E&tab=0&koda=IM7027
Enter section select mode
Previous
Paquete de ROS 2
Next
Información del driver Curtis 1234
No Comments
Back to top
No Comments