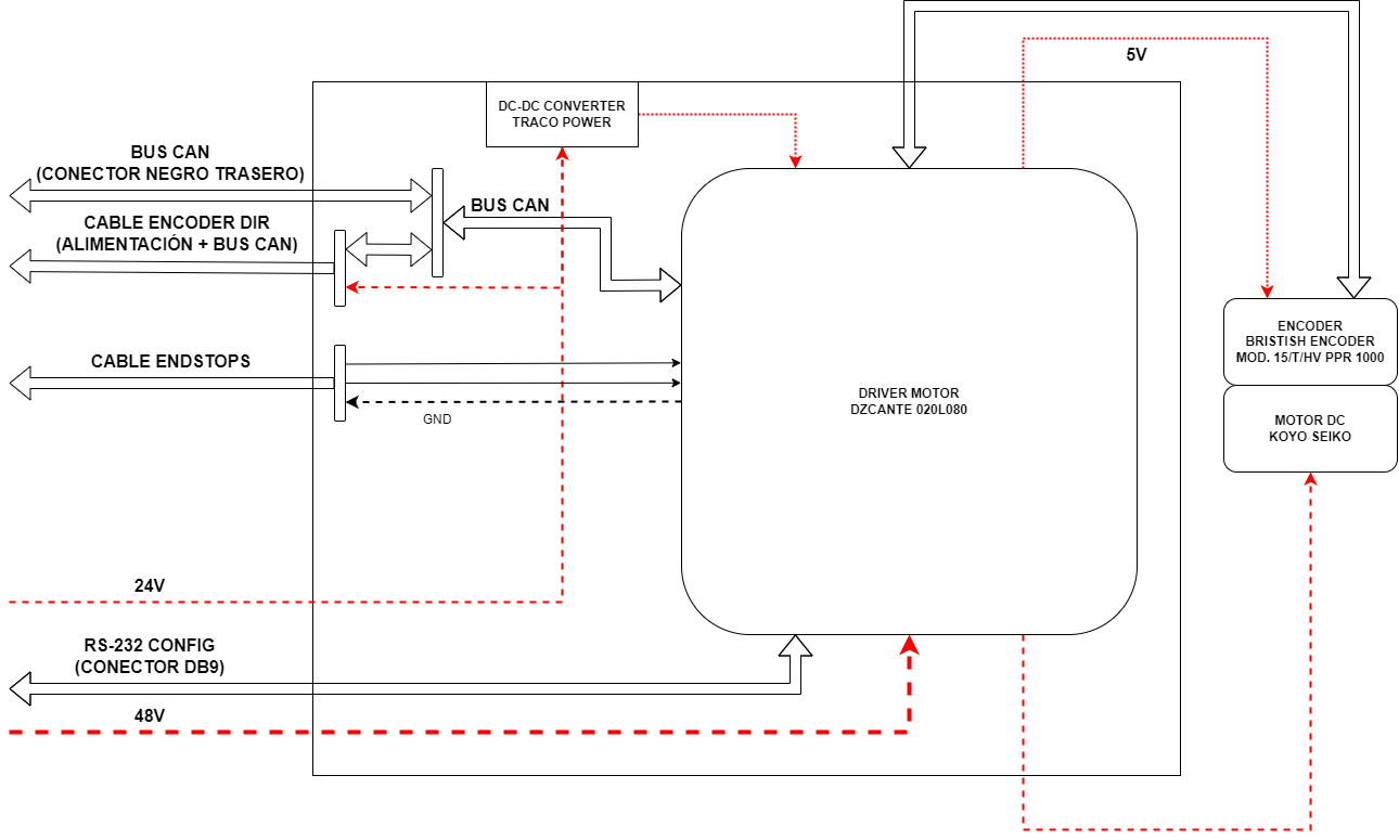
Electrónica
La electrónica del sistema de dirección está ubicado en la parte frontal del vehículo. Como podemos observar, se encuentra dentro de la caja metálica indicada en la imagen.
La caja del steering controller tiene varios cables de entrada y salida estos se resumen en 4 grupos:
Grupo 1:
- Encoder Motor DC (Bristish Encoder Product Company Modelo 15/T/HV PPR 1000)
Grupo 2:
- Motor DC (Koyo Seiko NO 45262??8)
Grupo 3:
- 48V Filtrados
- 24V
- Cable RS-232 configuración del driver (CONECTOR DB9 - PIN 3 RX VERDE, PIN 2 AMARILLO, PIN 5 GND MARRÓN)
Grupo 4:
- Cable BUS CAN
- Encoder Dirección
- Endstops Dirección (para limitar el rango de la dirección)
Grupo 1 y 2 actuan en conjunto:
Motor DC
Koyo Seiko NO 45262??8
Encoder Motor DC
Bristish Encoder Products Company
Modelo 15/T/HV PPR 1000
Cableado:
| BLACK |
0 Volts (GND) |
| WHITE | VCC (+5V) |
| BROWN | CH A |
| RED | CH B |
| ORANGE | CH Z |
| YELLOW | CH -A |
| GREEN | CH -B |
| BLUE | CH -Z |
| SCREEN | CASE GROUND |
Grupo 4:
ENDSTOP DIRECCIÓN
| DERECHA | GND | NONE (NC) |
| RIGHT | ROJO (NO) | |
| IZQUIERDA | GND | NONE (NC) |
| LEFT | AMARILLO (NO) |
ENCODER CAN DIRECCIÓN
Bristish Encoder Products Company
Modelo SA36H Single Turn Absolute (01 o 04) POR CONFIRMAR SF 12-V3-P1-C1-A EMK
| NEGRO | GND | |
| BLANCO | VCC (12V o 24V) | Lo más seguro 24V |
| AMARILLO | CAN H (CNH) | BUS CAN CONECTOR NEGRO TRASERO |
| VERDE | CAN L (CNL) | BUS CAN CONECTOR NEGRO TRASERO |
| MARRÓN | GND CAN (GNDI) | BUS CAN CONECTOR NEGRO TRASERO |
CONTROLADOR DIRECCIÓN DZCANTE-020L080


|
MA |
MOT DC DIR + (ROJO) |
| MB | NONE |
| MC | MOT DC DIR - (NEGRO) |
| GND | NONE |
| GND | GND 48V FILT (NEGRO) |
| HVIN | POS 48V FILT (ROJO) |
| GND | VOUT- TRACO DC-DC 5V |
| 5VIN | VOUT+ TRACO DC-DC 5V |
| GND | NONE |
| PAI1- | NONE |
| PAI1 | NONE |
| GND | DB9 RS-232 (MARRÓN) PIN 5 GND |
| PDO1 | NONE |
| PDO2 | NONE |
| PDO3 | NONE |
| GND | NONE |
| PDI1 | NONE |
| PDI2 | END STOP DIR LEFT (AMARILLO) |
| PDI3 | END STOP DIR RIGHT (ROJO) |
| GND | END STOP DIR GND (AZUL Y MARRÓN) |
| PDI4- | NONE |
| PDI4 | NONE |
| PDI5- | NONE |
| PDI5 | NONE |
| RX | DB9 RS-232 (VERDE) PIN 3 RX |
| TX | DB9 RS-232 (AMARILLO) PIN 2 TX |
| GNDI (CAN GND) | ENC CAN DIR GND (MARRÓN) + CABLE COM CAN CONECTOR NEGRO TRASERO |
| CNL (CAN L) | ENC CAN DIR CAN L (VERDE) + CABLE COM CAN CONECTOR NEGRO TRASERO |
| CNH (CAN H |
ENC CAN DIR CAN H (AMARILLO) + CABLE COM CAN CONECTOR NEGRO TRASERO |
| H-A | NONE |
| H-B | NONE |
| H-C | NONE |
| ENI- | ENC MOT DC - CH -Z (AZUL) |
| ENI | ENC MOT DC - CH Z (NARANJA) |
| ENB- | ENC MOT DC - CH -B (VERDE) |
| ENB | ENC MOT DC - CH B (ROJO) |
| ENA- | ENC MOT DC - CH -A (AMARILLO) |
| ENA | ENC MOT DC - CH A (MARRÓN) |
| GND | ENC MOT DC - GND (NEGRO) |
| 5V-O | ENC MOT DC - VCC (5V) (BLANCO) |
CONVERTIDOR DC-DC
Modelo TRACO POWER TEN 15-2411WI
Este controlador también necesita un convertidor DC-DC para ser alimentado a 5V, este está alimentado a los 24V que entran en la caja y está conectado a la entrada 5IN y GND.









No Comments