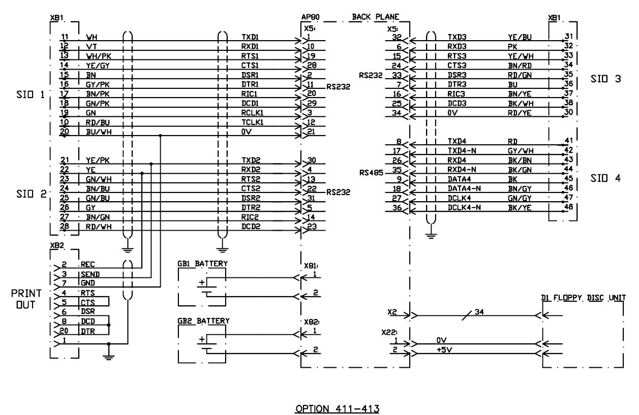
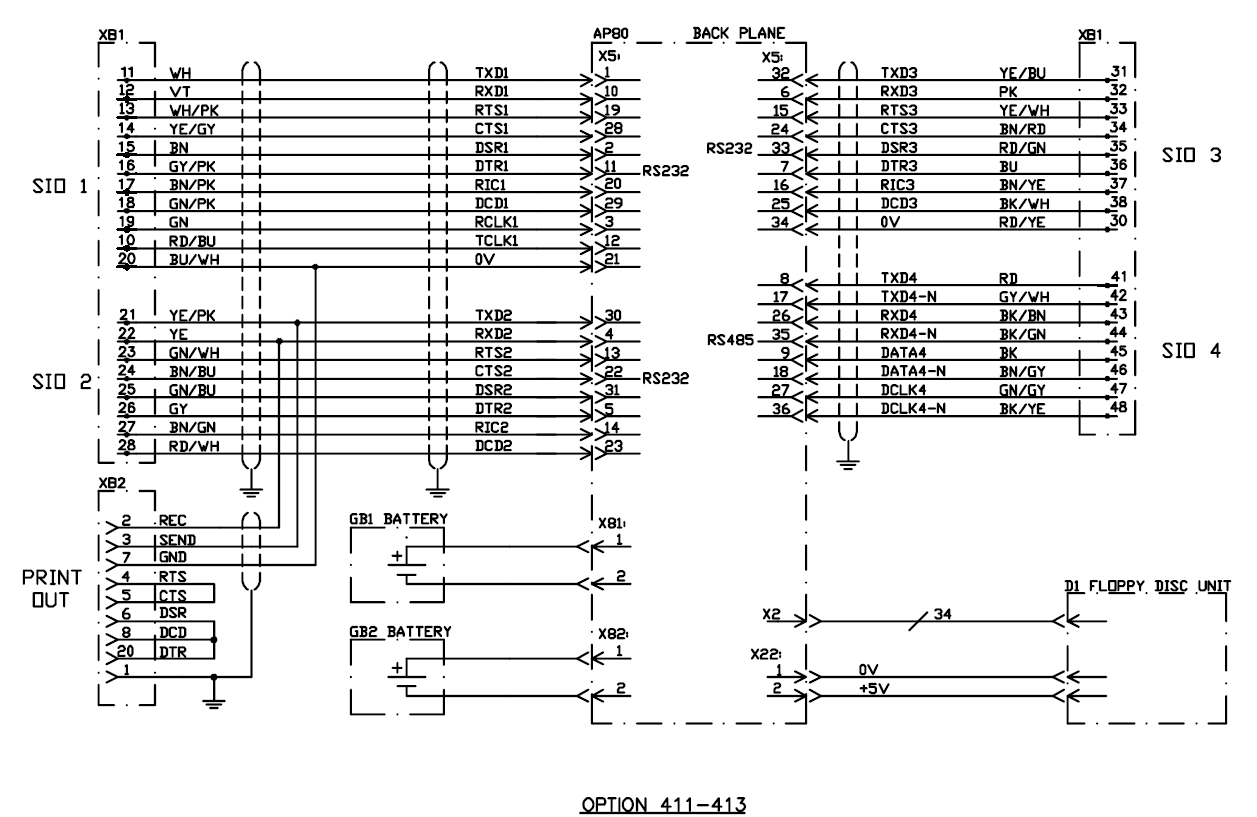
DSQC 326 Robot Computer
The robot computer, controls the system's I/O, axis control, serial communication and teach pendant communication.
Conector: X5 SERIAL LINKS
-------
If I remember correct, the Serial Link RAP option disk that came with a lot of software was the key. Been about 25 years since played with the S4 RS232.
It's been 20 years for me too.
With Advanced Functions you can also read/write serial channels. RAP protocol also required special basic software (Basic Commware, BaseWare OS RAP)
-------
Si no recuerdo mal, el disco opcional Serial Link RAP que venía con mucho software fue clave. Hace unos 25 años que no juego con el S4 RS232.
Yo también hace 20 años.
Con las Funciones Avanzadas también se pueden leer y escribir canales serie. El protocolo RAP también requería software básico especial (Basic Commware, BaseWare OS RAP).
-------
Referencia:
https://www.robot-forum.com/robotforum/thread/51058-abb-ira-1400-rs232-port/


No Comments